RG400Γ-2 SAKU BASE 佐久ベース


MTS ファクトリー team SICK
               


     更新日
 2016/6/25





GSX-R1100 フロント流用

GSX-R100 k1ステム
&k7フォーク流用


YarouWorks製
スイングアーム換装


SUZUKI キャリー改造積載車


RG400 パーツカタログ
     サービスガイド


motoGP

mm93





















2015年シーズンも後半

RG400 バイク ウイングレット 装着 バイク・ウイングレット 

手を付けだしてから2シーズン。

ここまでの概要
変更箇所   仕様 変更・改造   課題・問題点
 リア周り
ワイドホイール
 GSX-R1100
GV73A  ホイール
      リアブレーキ
 リア・アクスルシャフト20φ化
フローティングロッド形状変更
スイングアームの強度不足 
 ドライブ&ドリブン
スプロケット変更
XAM(ザム・ジャパン)
ドライブ・スプロケット VJ21A用
ドリブン・スプロケット GPZ400F用
チェーン RK 520 
チェーンラインを適正化する為
ドライブスプロケットの内側にスペーサー挿入
スプロケットロックボルトを削り薄型化
 問題無し。
 フロント周り
ホイール17インチ化
倒立サス化
 RGV250Γ VJ21A  ステアリング・ステム
ステム・ハンドルストッパー加工
トップブリッジ加工
   キーシリンダー取り付けステー
   ステム取り付け部切削(薄く)
フォーク・オイル交換(ワコーズ 20番)
50mm延長キット
 減衰力
やわらか過ぎ
ブレキング時のダイブが大きい
サスのキャパシティー不足
 フロントブレーキ  同上(TOKIKO 4POD &
          純正ローター)
 RKブレーキパッド
メッシュホース(SWAGE-LINE)
 不満足。
ローターの口径不足
 フロント・タンク
         カウル
 CBR600RR(PC37)  カウルステー製作
小型メーター(TAKEGAWA DNメーター)
PC37タンクカバー用 タンク製作
 タンク容量不足
    重量が重い
 シートカウル  CBR1000RR(SC59)  KDCサービス シートカウル・タンクパッド
スガヤ・チャンバー 後方3番、4番排気管ストレート化
シートレール製作
シートポジションに合わせたステップ改造
 問題無し。
       

ガンマ400
詳細は http://www.yamaura-doboku.jp/HTML/etc/THML/16-rg400/rg400.html


この状態で、乗れない事無いけど、不満だらけ。
次に着手は、フロント周りの改良。
GSX-R1100のフロントが簡単に着きそう!?・・・とは言うものの、種類が多すぎて何がなんだか
ヤフオク等のパーツ写真とデーターを見てみると、GV73AとGU75Aのステアリングステムが使えそうに見える。
 形式  倒立フォーク
アッパー径
倒立フォーク
 アンダー径
GV73A  52mm   56mm
GU75A 50mm  55mm
 GSX1300 50mm   55mm?
GU75Aで仕掛けてみる事にする。

2015/9/24
とりあえずヤフオクでGU75Aの倒立フォークと、ステアリングステム、トップブリッジ等をかき集めてみた。
ガンマ400にGSX-R1100 GV75Aフォーク流用 ガンマ400にGSX-R1100 GV75Aフォーク流用

ステムをフレームにフィッティングしてみると、イグニッションキースイッチのあたりと、ハンドルストッパーをちょいと加工すればOK。
問題は、サスとステムを組み付けると、ステムのアンダー側の径がどうも56φの様である、
フォークは上50φ下55φなのでガタが有る。
参った。
GV73の物だったのか??中古だから仕方ない。
どうする??

2015/10/20
ほったらかしてあったGSX-R1100のフロントフォーク
フィッティングしてみた。
GSX-R1100倒立フォーク流用 GSX-R1100倒立フォーク流用 GSX-R1100倒立フォーク流用

まず、フォーク55φ、ステム56φ径1mmの差なので、0.5mmのアルミを挟んでみた。
問題無さそうである。
トップブリッジのキーシリンダーの取り付けは、簡単ではなかった。ステーを作り、ネジを切り、スペーサーを挟み・・・
GSX-R1100のステムと、ガンマのフレームの相性はとても良い。RGV250より無理なく付く。
(ハンドルロックを無視すれば容易に着く)少しフレーム側を(ロック部分)をカットする必要はある。

GSX-R1100倒立フォーク流用 GSX-R1100倒立フォーク流用 GSX-R1100倒立フォーク流用

なんとか、ハンドルロックも使える様仕上がった。
手持ちのパーツは、残りフェンダーとホイル、メーターワイヤーのみ。

GSX-R1100倒立フォーク流用 GSX-R1100倒立フォーク流用

ブレーキキャリパーは、キャリパー取り付けピッチが90mmの物ならOK。RGV250のTOKIKOも使えるが・・・
ならば320φローター&ブレンボのキャリパーを付けたい。悩む所である。

GSX-R1100倒立フォーク流用 GSX-R1100倒立フォーク流用

ちなみに320φのローターを入手できれば、キャリパーサポートは
ACTIVEから brembo 40mmピッチ&大型ローター径対応 が作られている。

http://www.acv.co.jp/products/00482/detail/48197




2015/10/29
今シーズンは何も出来ないうちに、すでに信州のバイクシーズンは終了。
紅葉もほぼ終わり、10時前、15時過ぎは、バイクには適さない季節になってしまった。残念。

フロントフォークも未解決のままほったらかしにしているうち、ヤフオクで気になるパーツを見てしまった。

ガンマ400にGSX-R1000 フォーク流用

GSX-R1000 K1のステム
こいつもしかして使える????????

大枚はらって落札してみた。まだ物が来ないが、最悪は、ステムシャフト打ち変え加工でなんとか・・・・・
うまく行けば、GSX-R1000のフォーク、ラジアルキャリパーも・・・
だとするならば人柱上等。
もてぎにmotoGP見に行ってからやはり1000ccのスーパーバイクが欲しくなったね(CBR1000RR買えるくらい金使ってるかも)www

2015/11/2

rg400ガンマ 改造

ちょっとさみしい気もするが、今期はもう終了。
さらなる進化??の為フロント周りの見直しを行う事にした。(すでに30年前のバイクである。進化もクソも無いが)

RG400ΓにGSX-R1000(K1)ステアリングステム&(K7)倒立フォーク流用

ガンマ400にGSX-R1000 フォーク流用 ガンマ400にGSX-R1000 フォーク流用

落札したGSX-R1000(K1)のステムが届いた。色々調べると
(ここから先、GSX-R1100のステムと比較するが、GSX-R1100(GV73A)のステムがガンマにフィットする事は検証済)
 下側のベアリングは外径一緒でそのまま使えるが、上側のベアリングがK1では上下一緒のサイズに対して、ガンマのベアリングは
小さい。なのでそのままの流用は無理。

ガンマ400にGSX-R1000 フォーク流用

 ステムシャフトの打ち込んである部分の径はほぼ同じ
(抜いてみないと正確には解らないが)
 クランプ径は上50mm下56mmでGV73と同一だが、フォーク間の幅が6mm、GV73が広い。

GV73のシャフトを抜いてGSX-R1000(K1)のステムに入ればOKなのだが・・・

2015/11/4

ネット検索していると、GSX-R1100にGSX-R1000のフロントを流用している方がいました。

http://www.geocities.jp/ktobikes/Bonneville01.htm
これを参考にしながら、作業を進める事としたが、参考になったのは、GSX-R1100のシャフトがGSX-R1000のものより少しだけ細い事。
抜いて圧入して終わり!とは行かない事。

作業あるのみ!である。
色々な人々がやった感想では、シャフトが簡単には、抜けない!って事。だったが、僕がやった環境では、シャフト抜くより、
ステムベアリングを抜く作業のほうが大変だった。(シャフトは意外に簡単に抜けた)
ベアリングは固着していて、鏨ですこしづつ、シャフトに傷をつけない様、少しづつ・・・・・

シャフトは、プレス機で圧力かけながら、アセチレンでステムのアルミを温めて、又少し圧力かけて・・・
1本抜くのに(作業は2本分やってみた)10分もかからなかった。
プレス機は近所の修理工場の30tって物を使わせてもらったが、小型の物ではキツイのかもしれない。
くれぐれも力のあるプレス機で作業する事が楽する秘訣。
ガンマ400にGSX-R1000 フォーク流用 シャフト加工図
抜いたシャフトを見ながら簡単な図面を書いて、知り合いの旋盤屋に製作依頼をして来た。

RG400にGSX-R1000(K7)の倒立 RG400にGSX-R1000(K7)の倒立

アッパーカウルとサイド、タンクカバーを外して、完全に今期終了。

RG400にGSX-R1000(K7)の倒立 RG400にGSX-R1000(K7)の倒立

GSX-R1100の倒立フォークを試しに入手したが、再メッキ、シール交換等メンテを行うと・・・・・
こちらをそのまま使った方が安価な事が。
又、フロントブレーキに不満があったので、この際320φローターを付ける事も可能。ラジアルなのでスペーサーで変更可能。
これでガツンと効くブレーキを実現できるかな??。
とにかく旋盤屋の仕上がり待ち。

今回使う部品、ここでもう一度おさらいだけど
   トップブリッジ
クランプ径
 ステム
クランプ径
 フロントフォーク  ホイール  アクスルシャフト  ステムシャフト
ベアリング形状
GSX-R1000(K7)   50mm     上50、下56mm      
GSX-R1000(K1)    56mm      25mm 円すいころ軸受
外径55φ内径30φ
(ガンマと同じ型  )
GSX-R1000(K8)      17インチ3.5    

ステムの問題解決が先決だが、キャリパーの選択やスピードセンサー問題、と細かなパーツをかき集めなければならない。

2015/11/11

シャフトの加工が終わって、戻ってきました。
カラーの製作込みで5000円。安い!!!!。

RG400にGSX-R1000(K1)のステムとK7倒立 RG400にGSX-R1000(K1)のステムとK7倒立

さっそく知り合いの工場でプレス作業。
この時、交換したベアリングの残骸を使って(圧入時の台)作業。
この作業も力のあるプレス機なので、楽々。

RG400にGSX-R1000(K1)のステムとK7倒立  RG400にGSX-R1000(K1)のステムとK7倒立

ハンドルストッパーが使えなかったので、タップをたててボルト挿入にて代用。ベアリングは、モノタロウ
だが、ダストカバーが無いので、純正を使用。

RG400にGSX-R1000(K1)のステムとK7倒立 RG400にGSX-R1000(K1)のステムとK7倒立

とりあえずフィッティング。Good!!
明日は、メインキー&ハンドルロックの作業。
今日はここまで。

2015/11/13

今日も13日の金曜日。気にしているのは僕だけだけど・・・
前回のフィッティングでキーシリンダーを付けると、フレーム側のハンドルロックストッパー(出っ張り)が当たってしまう事が解ってる。
このトップブリッジはキーシリンダーの位置が後ろ寄りでさらに左にオフセットしている。
前回VJ22A(RG250γ)のステムを付けた時、ストッパーをカットしている為、少々の加工を必要とする。

RG400ガンマにGSX-R1000 K1トップブリッジ RG400ガンマにGSX-R1000 K1トップブリッジ

仕事は早いが雑だ!。

RG400ガンマにGSX-R1000 K7倒立フォーク きゃりぱーはブレンボが欲しいね~~~~~


RG400ガンマにGSX-R1000 K7倒立フォーク RG400ガンマにGSX-R1000 K7倒立フォーク

ここにたっどり着くまでにどれほどお金と時間を浪費しただろうか・・・・・・・・・
とりあえず収まった○
今日はここまで。

2015/12/2

今年も後一か月。
仕事が忙しくフロント周りの完成はまだまだ。だが、前回のフロント(VJ22A)のハンドリングの悪さは、なぜだったのか?
今回は、改善するのか?机上論として検証してみる。
 JV22Aの(RG400γに移植しての)ハンドリングだが、安定感が無い。ワインディングでの感触はいいが、荒れた舗装や
大型車のワダチ等があるとハンドルから手を放す事が出来ない。

考えうる原因
①RG400のステアリングステムのオフセットが+28mm程度に対して、VJ22Aのステムオフセットは+35mm程度。
オフセット量が増えるとトレール距離が減る=安定感減少。
②フロントフォーク長がRG400に対して45mm程度短い為、キャスター角が起きる。
ゆえにトレール距離が減る=安定感減少。
③ホイール16インチから17インチ化ホイールが大きくなる事で安定感が増大(トレール距離増)する様に思われるが、
ブレーキディスクの大口径化、等で重量が増。タイヤの慣性マスの増大によるハンドリングの悪化。
④VJ22Aのフォークは250cc用の為、対応しうる車重が軽い為、バネレート等弱い。常用荷重点でのフォーク縮が多く成る為
さらにキャスターが起きる。・・・・・・・・・

ただ付ければ良いものでも無い事は解っているが。
RG400ガンマ ブレンボ ラジアルマウント  RG400ガンマ ブレンボ ラジアルマウント  
こいつはどうなの????

今日はここまで。

2015/12/10

RG400ガンマ 配線見直し RG400ガンマ 配線見直し

この団子状態の配線をスッキリさせる事にする。
基本は長く余った配線をカットする事。年期の入った車両ハーネスなので、配線カバーの外皮がボロボロの所も。
切った貼った半田ごて。

きょうはここまで。

2015/12/17

ぐちゃぐちゃの配線の整理だが、まず各デバイスから出ている余分な長さの配線をカットから始める。
たとえば、イグニッションキーシリンダからのケーブルは15cm程度長い。
こいつは、根本の配線をカットし、半田で処理。

RG400ガンマ 配線見直し RG400ガンマ 配線見直し

左が短く仕上げた物。

RG400ガンマ 配線見直し RG400ガンマ 配線見直し

ハンドルのスイッチ類は、キーシリンダの様に簡単に半田出来ないので、カプラ側でコード切断。
カプラから端子を引き抜くために、右写真の様な工具があると便利だが、精密ドライバーのマイナスで代用可能。


RG400ガンマ 配線見直し RG400ガンマ 配線見直し

カプラから端子を引き抜き、長い分のコードをカット、新しい端子かしめて、カプラに戻していく。
この時、端子に、返しのツメが付いている物を買ってくる必要が有る。
メインハーネスは、中間でカットし、不要な長さをカット&半田で処理して行く。
切った部分を繋げる為にギボシ端子等で処理しても良いかもしれないが、自分の経験では、トラブルの元になりかねないので
抜けてもエンジンが止まる事のない、補機類の場合のみとしたほうが良い。(カプラで処理するのは、良い)
(昔の話。レース中にエンジン停止でリタイヤした経験が。原因は点火器系のギボシが抜けていた)

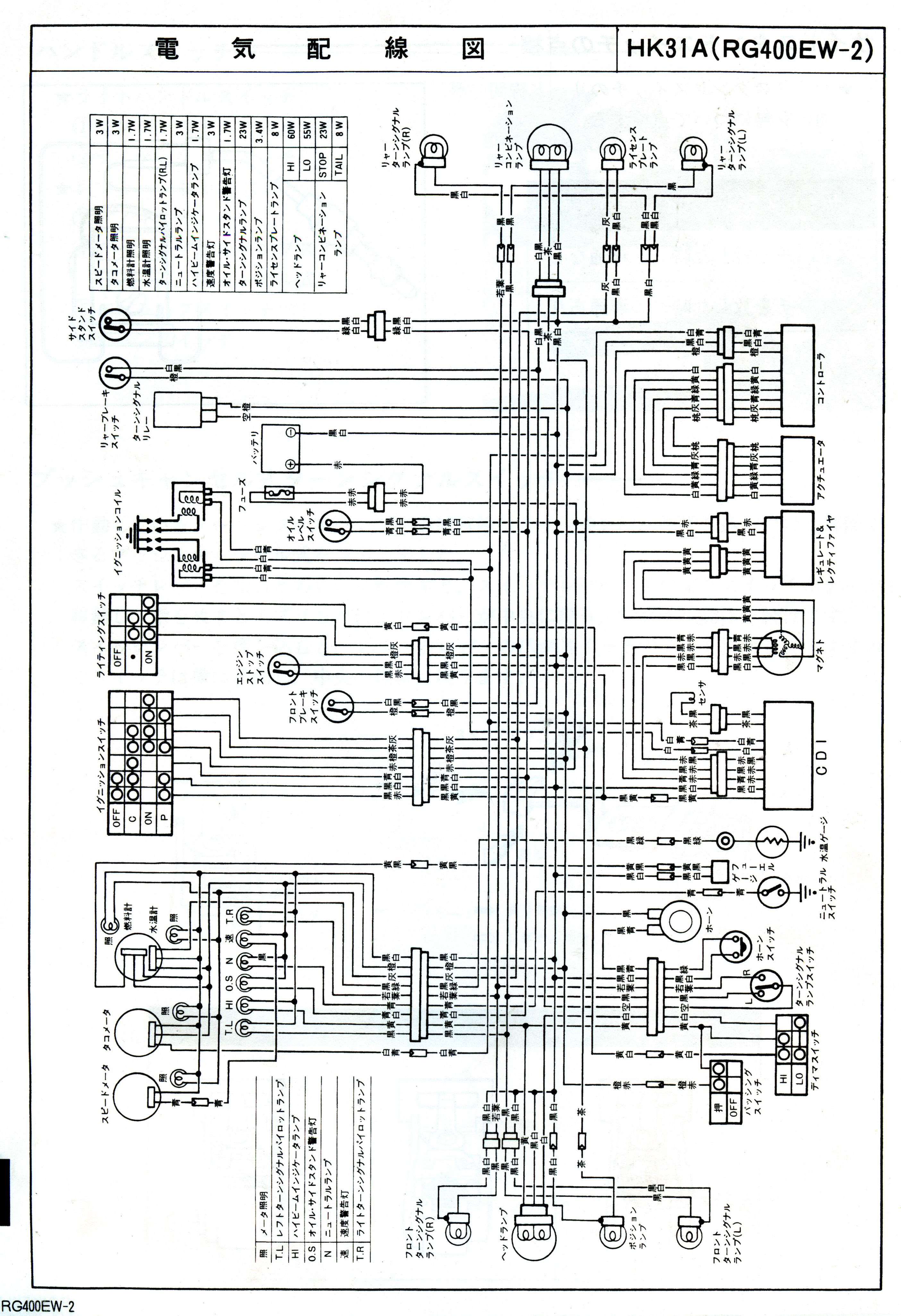
RG400ガンマ 配線見直し -------RG400ガンマ 電気回路図 配線図
これだけのコードを切り取り処理した。 参考まで回路図を添付(画像クリックで高解像度)

RG400ガンマ 配線見直し RG400ガンマ 配線見直し
処理してスッキ。カウルの脱着もスムースに。

RG400ガンマ ラジアルマウント ブレンボ RG400ガンマ ラジアルマウント ブレンボ RG400ガンマ ラジアルマウント ブレンボ

GSX-R1000のホイールには、機械式のスピードセンサーが無いため、武川DNメーター、オプションのスピードセンサを
取り付けた。標準で付属付属の金物、いまいち見栄えしない。今回は見送り
ブレーキのメッシュホースの取り回し等、motoGP車輌参考。

今日はここまで。

2015/12/22
今日は冬至。まだ本当に始まっていない冬だが、
明日からは、少しづつ日が伸びる事になっている。
rg400ガンマ GSX-R100フロント流用完了 rg400ガンマ GSX-R100フロント流用完了

今日テストしてみようと思ったのだが、朝から、路面が凍結するほど寒かった。
なので断念。

rg400ガンマ GSX-R100フロント流用完了 rg400ガンマ GSX-R100フロント流用完了 rg400ガンマ GSX-R100フロント流用完了
お昼休みにちょこっと乗ろうと思ったのだが、ミラーを付け忘れているのと、ウインカーが壊れてるのを見つけ、明日に・・・

rg400ガンマ GSX-R100フロント流用完了 rg400ガンマ GSX-R100フロント流用完了

今日は、日向ぼっこしておしまい。

2015/12/30

やっと仕事もひと段落で、テストRUNを行った。
といっても、最高気温5度でのテスト。ブレーキの動作確認とスピードメーターの確認程度。
1時間ほど乗ってみたが、日蔭のコーナーでは、凍結でコケそうになるし、ブレーキを強くかけると、ジャックナイフする前に
タイヤが滑ってグリップしない。
ので、乗って楽しむ程度だった。今日は、ライダーとすれ違ったのは、たったの1回のみ。
BMWのライダーに親近感をもったよ。
武川の金属反応式スピードセンサーだが、
けっこうきっちりセットしてやらないとダメで、何回かセンサーの位置を変更した。
TAKEGAWA 金属反応式スピードセンサー 取り付け 設定TAKEGAWA 金属反応式スピードセンサー 取り付け 設定
メーター側の設定は3項目

①スピード警告灯の設定。
②タイヤの外周。カタログでの径が600mmなら 600X3.14=1884mm
  だが、実測すると、結構誤差があるので、測ってみるのも大事!
③センサーに感知する金属の数。
  僕はディスクの純正ナットボルト(鉄製)を感知させたので 値=5

suzuki rg400ガンマ TAKEGAWA 金属反応式スピードセンサー 取り付け 設定

2015年、今年はこれまで。

2016/1/7

年が明けて、いまだに暖冬続き。
自分的には非常にありがたい。なんとかテスト走行も可能な範囲の暖かさ!
武川の金属反応式スピードセンサー だが、取り付けに若干こつが有るので、参考まで、武川の説明書(クリックで高解像度)

 武川の金属反応式スピードセンサー 取扱い説明書  武川の金属反応式スピードセンサー 取扱い説明書

フロント周り変更後のインプレッションだが、簡潔にGOOD!GSX-Rのフロントフォークセッティングは、まだだが、

GSX-R1000(K7)フロント標準セッティング
 トップ側のセット
  ・プリロード:3段目(最強0~最弱5)
  ・リバウンド:いっぱいに締めこんで(最強)から6クリック戻し
 ボトム側のセット
  ・コンプレッション(high):いっぱいに締めこんで(最強)から3回転戻し
  ・コンプレッション(low):いっぱいに締めこんで(最強)から14クリック戻し

この状態で、走行中にステップ上で立ち上がってピース出来てしまう。何がそんなに変わったのか?
フォーク長(トップブリッジ下側から、フロントアクスルシャフトの芯まで)で
GSX-R1000:740mm程度(もう少し伸ばせる)。前回のRGV250:740mm(フォーク延長キットを使用)程度と
ほぼ同じにしたのだが、やはりステムのオフセット量なのか??
いろいろ試してみたいところだが、さすがに寒い。春まで おあずけ

今日はここまで。

2016/2/12

ホームセンターで角パイプとネジとベアリング4個
あとは廃棄物の中から、見つけたシャフト 総額2800円くらい
rg400ガンマ ホイールバランス 1 rg400ガンマ ホイールバランス 2
                                      溶接して組み立てる。
ネットでバランス取りを見ていると、結構こんな様なしろものでバランスが出るらしい??
今までは、整備屋にいって機械にかけているばっかりだったので、へぇ~ てな感じ。

rg400ガンマ ホイールバランス 3 rg400ガンマ ホイールバランス 4
で、バランサーを作ってみた。
J-TRIPの物を買おうと思ったが、なんでも買ったのでは、趣味にならない。
使えるかも!?

rg400ガンマ パイプベンダー 1 rg400ガンマ パイプベンダー 2

パイプの曲げ加工をしたくて、パイプベンダーを借りてきた。
が、難しい。すぐにシワは入る。パイプを加熱しながらすこしづつ。だいぶパイプを無駄にして、少しまともに曲げられる様に。

rg400ガンマ パイプベンダー 3 rg400ガンマ パイプベンダー 4

で、これ


今日はここまで。

2016/6/13

すっかり時間が過ぎて・・・
何もしてなかった訳ではないですが、順番に。
Yarou Works 製スイングアーム Yarou Works リジットキャリパーサポート

これを待っていました。時間軸を整理すると、とあるブログを発見。
「たかさんのブログ」
製作者を調べると。
Yarou Works さん 
以前からRG400の調べ事でネット検索するとチラチラと引っ掛かっていましたが、
YarouWorks製強化スイングアームに一目惚れ!!
他でのスイングアームの補強をしてくれる所ありますが、こちらに一目惚れ!!
思い切って発注しました。(1月下旬)
で「たかさんのブログ」追って拝見していると、同じ匂いのするバイクに・・・・
ちょっと感動と、無人島でやっと友達にめぐり会えた気分でしたが、うちの複雑なネット環境のせいか、
Yahooブログにメッセージを投稿するとエラーで・・・
ヤロワさんと、たかさんのブログには、メッセージを残せず・・残念。

今回ヤロワ様で造って頂いたパーツは、スイングアームの補強(たかさん仕様の廉価板)、とリジット・キャリパーサポート
どちらもGV73(90年式)のホイールを取り付け可能とする物でお願いしました。

Yarou Works 製スイングアーム Yarou Works 製スイングアーム

どうせなので、スイングアームを送る前にベアリングを外して新品をモノタロウ(メーカー名/品番 日本トムソン(IKO) / TA2230Z)
パーツの仕様を何度もメールで確認。6月上旬。パーツの取り付け。特にキャリパーサポートはヤロワ様にはご苦労して頂きました。

Yarou Works 製スイングアーム 取り付け001 Yarou Works 製スイングアーム 取り付け002

今回のスイングアームは補強部分を通す為、チェーンを切らないと入りません。チェーンカッターで1コマ抜いてスイングアーム装着。
チェーンは必ずカシメる。これがポリシーです。

Yarou Works 製スイングアーム 取り付け003 Yarou Works 製スイングアーム 取り付け004

右側の写真。突起物がリジットキャリパーサポートの回り止め。

Yarou Works 製スイングアーム 取り付け005 Yarou Works 製スイングアーム 取り付け006

YarouWorks製、ブレンボ用キャリパーサポートです。今回は無理を言って造って頂いたので、時間と労力をつぎ込んでもらいましたが、
次からは、同仕様の場合比較的簡単に作れるのでは???3つ4つ売らないと元が取れなそうです。
データーが消失する前に、欲しい人はヤロワ様に問い合わせてみて下さい。

Yarou Works 製スイングアーム 取り付け008

雨が続いてまだ、乗っていません。
相変わらず見たくれチューンに新たなアイテムを追加した訳だが、沈黙の間に、もう一つ、快適装備を作ってました。
3月下旬
使わなくなった軽トラックが有るとの情報で3月中に名義変更すればOKとの車輌。

SUZUKIキャリー ラダーレール 積載車の製作001

がんま君搬送用軽トラックです。
4月上旬~初めは白色に前会社の看板入り車輌でした。

RG400用積載車の製作002 RG400用積載車の製作003 RG400用積載車の製作004

車検1年付きで、頂いた、スズキ キャリー DA63.T
譲渡の条件は、カッティングシートの看板を綺麗に剥がしてから、乗る事。
しかしこれが大変。なかなか剥がせない。シールは剥がしのスプレーを使う物の、解けた状態になり長時間放置すると元の塗装まで
浸食してしまう有様。80℃の高圧洗車も×。ジェットファン、ヒートガンでの局所温めもあまり効果無し。(ノリが残る)

RG400用積載車の製作005 RG400用積載車の製作006

最終兵器がスチームクリーナー!なんとかこれで剥がす事ができた。が、キャビンの塗装面には至る所にスクレーパーの
ひっかき傷だらけ。

SUZUKIキャリー改造 RG400用積載車の製作007

スズキ特有のフレームの錆もあったので、自家製オールペイントを慣行する事に。

SUZUKIキャリー改造RG400用積載車の製作008 SUZUKIキャリー改造 RG400用積載車の製作009 SUZUKIキャリー改造 RG400用積載車の製作010

次にバイクを積載する時車高が低い方が乗せやすい。
ので車高をdown!
方法は、リア 板バネごにょごにょ
フロントは、スプリングのカット。
お金をかけないのが、ポリシー!

SUZUKIキャリー改造 RG400用積載車の製作011 SUZUKIキャリー改造 RG400用積載車の製作012 SUZUKIキャリー改造  RG400用積載車の製作013 SUZUKIキャリー改造 RG400用積載車の製作013

板バネはずして、センターのボルトを切り、ばらして、2枚目のバネを裏返す。古典的手法。

SUZUKIキャリー改造 RG400用積載車の製作014 SUZUKIキャリー改造 RG400用積載車の製作015

フロントは似た様なサスを解体やから調達して、ノーマルスプリングを切らない。(車検用)

SUZUKIキャリー改造 ラダーレール 積載車の製作015 SUZUKIキャリー改造 ラダーレール 積載車の製作016

荷台はボルト6本で固定のみ。大人2人で簡単に脱着可能。ボディはチャチャッっとペンキ塗り。

SUZUKIキャリー改造 アクラポビッチ 

排気系はDA63用 AKRAPOVIC に換装。ウソ!インチキ、サイレンサーをヤフオクで購入。
会社にあったスチールパイプで排気管を作ってチャチャっと溶接。

SUZUKIキャリー改造 ラダーレール 積載車の製作018 SUZUKIキャリー改造 ラダーレール 積載車の製作019

ラダーレールはヤフオクで1本3800円
取り付けステーは破材でチャチャッと製作。

SUZUKIキャリー改造 ラダーレール 積載車の製作020 SUZUKIキャリー改造 ラダーレール 積載車の製作021

ラダーレールは積む車輌に合わせて、左右にスライド出来る様工夫。

SUZUKIキャリー改造 ラダーレール 積載車の製作022

貧乏ローダウンのおかげで乗り心地は2点。それでもガンマ君運べます。

今日は??ここまで。

2016/6/25

スイングアームはGOOD!
リアブレーキ(リジットタイプ)GOOD!
フロントブレーキ VERY GOOD!

が、ここにきて、キャブのセッティングがいまいち出ない。
セッティングが決まらない理由は、エアークリーナーのチューブアウトレット通称山芋。
ほんとは、こんな物とってしまいたいのだが、付けたり付けなかったり。
これからのシーズン、信州の山間部は、夕立が有る。
昨年は直キャブで乗っていて、かなりの立に遭遇。
立ち往生。
で最近は山芋を装着している。これが原因できもちが悪い。が・・・仕方ない。

  

基本に戻ってもう一度同調から。
エンジンフルノーマル。スガヤ・チャンバーのみ。山芋改‐付
現状
MJ:#145(#135)
PJ:#25(#25)
JN:2.510φ(2.515φ)クリップ上から3段目
エアースクリュー:2回転戻し。(1と3/4戻し)
( )はノーマル値

さてさて・・・中速域のモタツキ(気分的な要素だが)を解消が目的
MJ:#145 上回転は良好の為変更なし
PJ:#25 変更無し。
JN:2.515φクリップ上から4段目
エアースクリュー:2と1/4戻し。
テストは明日。
2016/6/27
梅雨の晴れ間をねらって昼休みテスト。
クローズドのテストコースがあればもっと早くできるのに・・・
改善どころか、悪化。中速域でガズが薄過ぎ。
で、
JN:2.510φ(2.515φ)クリップ上から1段目
PJ:#24
これでどーだ??????
2016/7/1
気温29℃ 湿度49% 晴れ (湿度が低いので気温のわりに日蔭は涼しい信州です)
昼休みの1アタックのみのテスト
結局
MJ:#145
PJ:#24
JN:2.510φクリップ上から4段目
エアースクリュー:1と3/4戻し
センターカウルを元に戻して、しばらくこの設定で・・・ MJは #140も次回テストしてみます。
2016/7/23
まだ決らない。
エンジンの為と思い少し濃い方で妥協点を探したが・・・・・・
もう少し細かい番数のMJを購入
MJ #130、#132.5、#135、#137.5,#140
と総当たり戦。


今日はここまで。

_______________________________________________________________________________________________マルク・マルケス アント